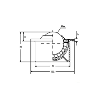
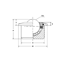
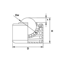
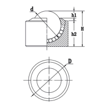
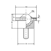
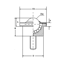
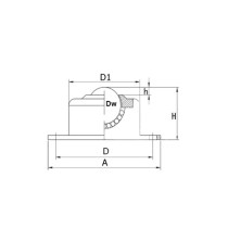
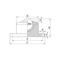
Основные характеристики
Производитель
Артикул
CY22HBSCS-ISKRA
Внутренний стандарт
IDO28456
Особенности материалов
Материал шарика
Подшипниковая сталь
*Производитель оставляет за собой право без уведомления дилера менять характеристики, внешний вид, комплектацию товара и место его производства. Указанная информация не является публичной офертой.
