Основные характеристики
Производитель
Артикул
CY25FCSCS-ISKRA
Внутренний стандарт
IDO28456
Технические характеристики
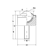
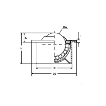
Высота B
22 мм
Высота H
26 мм
Диаметр шариков Dw
25.4 мм
Резьба M
M10
Грузоподъёмность (шарик сверху)
40 кг
Грузоподъёмность (шарик снизу)
30 кг
Массо-габаритные и монтажные характеристики
Наружный диаметр
43 мм
Диаметр d1
49 мм
Вес
0,16 кг
Особенности материалов
Материал шарика
Углеродистая сталь
*Производитель оставляет за собой право без уведомления дилера менять характеристики, внешний вид, комплектацию товара и место его производства. Указанная информация не является публичной офертой.
