Основные характеристики
Производитель
Артикул
CY25TCSCS-ISKRA
Внутренний стандарт
IDO28456
Технические характеристики
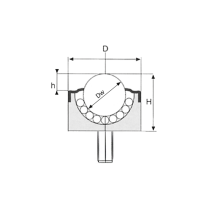
Высота B
14 мм
Высота H
6.2 мм
Диаметр шариков Dw
30.163 мм
Тип
H
Грузоподъёмность (шарик сверху)
30 кг
Грузоподъёмность (шарик снизу)
20 кг
Массо-габаритные и монтажные характеристики
Наружный диаметр
70 мм
Диаметр d1
52 мм
Вес
0,16 кг
Особенности материалов
Материал шарика
Полиацеталь ПОМ (Derlin)
*Производитель оставляет за собой право без уведомления дилера менять характеристики, внешний вид, комплектацию товара и место его производства. Указанная информация не является публичной офертой.
