Основные характеристики
Производитель
Артикул
KSM15BSCS-ISKRA
Внутренний стандарт
IDO28456
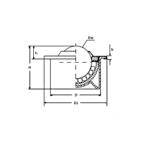
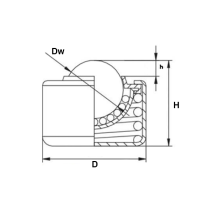
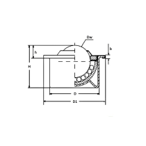
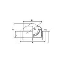
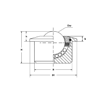
Технические характеристики
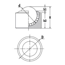
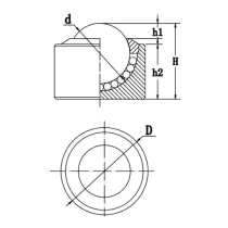
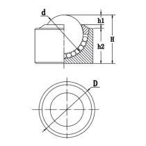
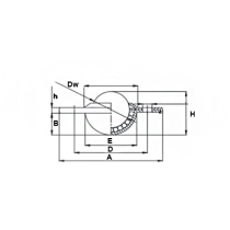
Высота H
31 мм
Диаметр шариков Dw
22 мм
Размер H
23 мм
Ширина F
45 мм
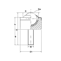
Массо-габаритные и монтажные характеристики
Наружный диаметр
36 мм
Размер
37x32 мм
Внутренний диаметр
22.2 мм
Вес
0,19 кг
Особенности материалов
Материал шарика
Сталь хромированная 52100
*Производитель оставляет за собой право без уведомления дилера менять характеристики, внешний вид, комплектацию товара и место его производства. Указанная информация не является публичной офертой.
