Основные характеристики
Производитель
Артикул
SP15LB(CY15HBSCS)-ISKRA
Внутренний стандарт
IDO28456
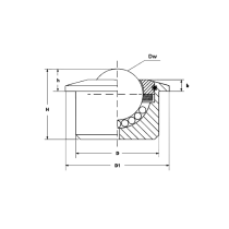
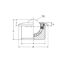
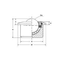
Технические характеристики
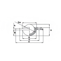
Высота H
9.5 мм
Диаметр шариков Dw
15 мм
Размер b
3 мм
Размер H
9.5 мм
Тип
LB
Грузоподъёмность (шарик сверху)
45 кг
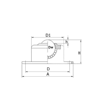
Массо-габаритные и монтажные характеристики
Наружный диаметр
24 мм
Размер
24x31x21 мм
Диаметр d1
31 мм
Вес
0,024 кг
Особенности материалов
Материал шарика
Полиацеталь ПОМ (Derlin)
*Производитель оставляет за собой право без уведомления дилера менять характеристики, внешний вид, комплектацию товара и место его производства. Указанная информация не является публичной офертой.
