Основные характеристики
Производитель
Артикул
UC206-ISKRA
Внутренний стандарт
IDO28456
Технические характеристики
Рядность
Однорядный
Динамическая нагрузка
14,5 кН
Статическая нагрузка
11,2 кН
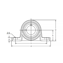
Массо-габаритные и монтажные характеристики
Ширина b
38,1 мм
Ширина C
19 мм
Размер
30x62 мм
Вес
0,3 кг
Особенности материалов
Материал корпуса
Сталь GCR15
Стандарты
Маркировка по ISO
UC206
*Производитель оставляет за собой право без уведомления дилера менять характеристики, внешний вид, комплектацию товара и место его производства. Указанная информация не является публичной офертой.
