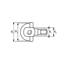
Основные характеристики
Производитель
Артикул
TSFL8-ISKRA
Внутренний стандарт
IDO28456
Технические характеристики
Внутренний диаметр d1
10,4 мм
Диаметр сферы dk
15,88 мм
Диаметр хвостовика d4
12,5 мм
Диаметр хвостовика d5
16 мм
Длина L
13 мм
Наружный диаметр d2
19 мм
Размер резьбы d3
M8x1,25
Ширина W
36 мм
Резьба
Левая
Массо-габаритные и монтажные характеристики
Ширина b
12 мм
Вес
6,8 кг
*Производитель оставляет за собой право без уведомления дилера менять характеристики, внешний вид, комплектацию товара и место его производства. Указанная информация не является публичной офертой.
