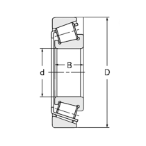
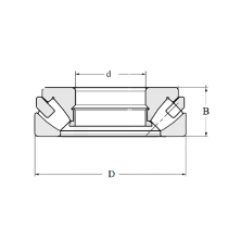
Основные характеристики
Производитель
Артикул
30208-ISKRA
Внутренний стандарт
IDO28456
Технические характеристики
Вид нагрузки
Тип отверстия
Коническое
Стандарты
Маркировка по ISO
30208
*Производитель оставляет за собой право без уведомления дилера менять характеристики, внешний вид, комплектацию товара и место его производства. Указанная информация не является публичной офертой.
