Виброгасящие муфты
Виброгасящие муфты представляют собой детали, предназначенные для слаженной и эффективной работы в рамках единой системы при соединении элементов механизма.
Основной функциональной задачей, выполняемой виброгасящими муфтами, является передача крутящего момента с ротора двигателя на приводной вал. Причем на некотором оборудовании, например в станках и осях с ЧПУ, чрезвычайно важно, чтобы при передаче момента не вносилось дополнительной погрешности. Это связано с физической деформацией муфты, проскальзыванием вала, образованием зазора и др. Упругие муфты способны передавать вращательный момент, в несколько раз больший, нежели спиральные аналоги.
В связи с этим, основными характерными особенностями муфты являются синхронность (отсутствие зазора при передачи момента), жесткость на кручение, и предел, при котором происходит разрушение муфты.
Помимо передачи момента, виброгасящие муфты способны выполнять и второстепенные функции. Такие как поглощение некоторой части ударных вибраций, компенсация незначительной несоосности валов, снижение значений шума работающего оборудования и др.
Множество устройств страдают от неточностей изготовления деталей, что приводит к тому, что когда приходит время соединять вал ротора двигателя и приводной вал, оказывается, что они не соосны, т.е. оси находятся под углом, и/или если между осями есть некоторое расстояние. В таком случае муфты компенсируют эту несоосность за счет собственной структуры.
Кроме того комплектующие элементы механизма во время активной работы склонны к резонансу и вибрациям. В борьбе с этими неприятными явлениями также могут помочь соединительные муфты. Они способны поглощать вибрации, диссипируют механическую энергию в собственной конструкции.
Без применения соединительных муфт не обходится практически ни одна отрасль машиностроения. Устройства используются на приводах промышленных машин и механизмов, в сборочном производстве, на конвейерах, в обрабатывающих центрах, роботизированных линиях, в оборудовании с ЧПУ.
Особенности конструкции
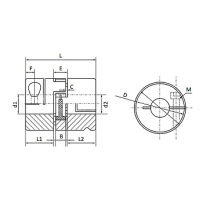
Виброгасящая муфта относится к кулачковому виду устройств соединительной системы. Корпус устройства имеет разборную конструкцию. Между двумя цельными частями (полумуфтами), выполненными из алюминиевого сплава, вставлена специальная амортизирующая прокладка из полиуретана. С одной стороны, материал обладает достаточной жесткостью, чтобы передавать момент синхронно, с другой — достаточно упруг и вязок, чтобы поглощать некоторую часть ударных вибраций. Все элементы муфты выполняются с высокой точностью на современных фрезерных центрах с ЧПУ. Фиксируется муфта на валу затяжкой, при помощи винта.
Ассортимент товаров
В зависимости от механизма, в котором будут использованы, а также от задачи, которая на них возлагается, муфты для соединения валов могут обладать разными параметрами и техническими характеристиками. Неправильный выбор устройств или использование их не по назначению, может привести не только к снижению эффективности оборудования, но и к быстрому износу основных конструкционных элементов.
Разработка новых моделей и производство проверенных временем соединительных виброгасящих муфт осуществляется российским производителем Technix, серия JC.

Муфта соединительная виброгасящая ( производитель TECHNIX, серия JC)
Обладая серьезной производственной базой, компания гарантирует выпускаемой продукции максимально возможное качество и высокие показатели надежности, с защитой от выхода из строя прежде наступления гарантийных сроков. Вся продукция сертифицирована, соответствует ГОСТам и стандартам ANSI и ISO.
Муфты выпускаются с широким спектром типоразмеров, отвечают требованиям соответствующих стандартов.
Преимущества виброгасящих муфт
- компенсация незначительной несоосности валов с углом до 1 градуса;
- сравнительно большой передаваемый крутящий момент;
- виброгасящие свойства;
- надежность и просты в установке.
Недостатки виброгасящих муфт
Из недостатков стоит отметить то, что полиуретановая амортизирующая прокладка подвержена нормальному износу. Со временем материал постепенно деформируется, и появляется зазор. Это приводит к необходимости замены всей муфты.