Основные характеристики
Производитель
Артикул
29252ZWZ
Внутренний стандарт
IDO28456
Технические характеристики
Класс точности
P0
Вид нагрузки
Рядность
Вид подшипника
Открытый
Динамическая нагрузка
830 кН
Статическая нагрузка
4 150 кН
Тип отверстия
Цилиндрическое
Предельная скорость (жидкое масло)
1100 об/мин
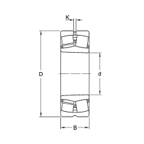
Массо-габаритные и монтажные характеристики
Наружный диаметр
360 мм
Размер
260x360x60 мм
Внутренний диаметр
260 мм
Ширина
60 мм
Вес
16,9 кг
Условия эксплуатации
Рабочая температура
От -40°C до +120°C
Стандарты
Маркировка по ISO
29336
*Производитель оставляет за собой право без уведомления дилера менять характеристики, внешний вид, комплектацию товара и место его производства. Указанная информация не является публичной офертой.
