Основные характеристики
Производитель
Артикул
UCF212-ISKRA
Внутренний стандарт
IDO28456
Технические характеристики
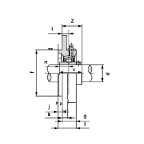
Диаметр отверстия S
19 мм
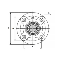
Межосевое расстояние e
143 мм
Подшипник
UC212
Размер G
20 мм
Размер l
48 мм
Размер N
25,4 мм
Ширина A
175 мм
Ширина G
20 мм
Ширина i
29 мм
Ширина l
48 мм
Ширина z
68,7 мм
Тип
Фланцевый
Корпус
F212
Крепежный винт
M16
Динамическая нагрузка
49780 Н
Статическая нагрузка
34390 Н
Массо-габаритные и монтажные характеристики
Ширина b
65,1 мм
Внутренний диаметр
60 мм
Вес
3.54 кг
Стандарты
Маркировка по ISO
UCF212
*Производитель оставляет за собой право без уведомления дилера менять характеристики, внешний вид, комплектацию товара и место его производства. Указанная информация не является публичной офертой.
