Описание и характеристики
Основные характеристики
Производитель
Артикул
98736642
Наименование
Центробежный насос
Серия товара
TP
Внутренний стандарт
IDO28456
Технические характеристики
Плотность
998,2 кг/м³
Тип изделия
Inline
Вид насоса
Поверхностный
Давление номинальное
PN25
Номинальный расход
290 м³/ч
Частота вращения
1480 об/мин
Фактический диаметр рабочего колеса
358 мм
Номинальный напор
41 м
Защита электродвигателя
PTC
Тип исполнения
A3
Класс энергоэффективности электродвигателя
IE3
Код присоединения
класс F (155 °C)
Коэффициент мощности
0,86
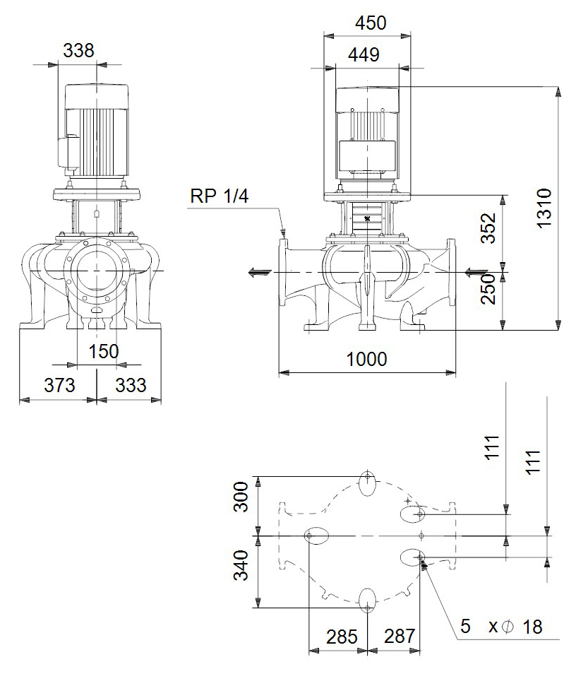
Диаметр обсадной колонны
DN150
Тип электродвигателя
SIEMENS
Номер электродвигателя
99032125
Энергоэффективность
IE3 94,2%
Эффективность электродвигателя при полной нагрузке
94.2-94.2 %
Эффективность двигателя при 3/4 нагрузки
94.9-94.9 %
Эффективность электродвигателя при 1/2 нагрузки
95.1-95.1 %
Электрические характеристики
Номинальное напряжение
380 В - 420 D В
660 В - 725 Y В
660 В - 725 Y В
Количество фаз питания
3 (+земля)
Частота
50 Гц
Класс защиты
IP55
Пусковой ток
640 %
Номинальный ток
77 - 83 / 44,5 - 48 А
Класс изоляции
класс F (155 °C)
Номинальная мощность электродвигателя
45 кВт
Массо-габаритные и монтажные характеристики
Монтажная длина
1000 мм
Вес с упаковкой
717 кг
Размер фланца электродвигателя
FF400
Подключение к среде
DIN
Вес
673 кг
Особенности материалов
Материал корпуса
Ковкое железо
Марка материала корпуса
ASTM Grade 60-40-18
Код торцевого уплотнения вала
DAQF
Материал рабочего колеса
Бронза
Условия эксплуатации
Температура окружающей среды
От -20°C до +55°C
Рабочая среда
Вода
Рабочая температура
+20 °C
Стандарты
Стандарт допусков к рабочим характеристикам
ISO9906:2012 3B
Дополнительные характеристики
Объем поставки
1,64 м³
*Производитель оставляет за собой право без уведомления дилера менять характеристики, внешний вид, комплектацию товара и место его производства. Указанная информация не является публичной офертой.
Документация
TP, TPD (Installation and operating instructions)
TP, TPE, TPD, TPED (Recommended spare parts) (Service Kit Catalogue)
NB, NBG, TP, TPD, ATEX-approved pumps
TP, TPD, TPE, TPED, TPE2, TPE2 D, TPE3, TPE3 D (Data booklet)
ТР серия 400, PN 25 (Data booklet)
TP (Series 400)
TP серии 400 (Сервисная инструкция)
TP, TPD, TPE, TPED (RU/KZ/KG/AM version) (PIOI)
TP, TPD, TPE, TPED, TPE2, TPE2 D, TPE3, TPE3 D (КАТАЛОГ)
TP, TPD, Инструкции по технике безопасности и прочая важная информация
NB, NBG, NK, NKG, TP, TPD, ATEX-approved pumps, Инструкции по технике безопасности и прочая важная информация
TP, TPD, TPE, TPED серии 300 (Сервисная инструкция)
TP, TPE, TPD, TPED (Service Kit Catalogue)
