Описание и характеристики
Основные характеристики
Производитель
Артикул
539178
Наименование
Распределитель с электромагнитным управлением
Серия товара
Группа
Стандартные
Тип оборудования
Распределители
Внутренний стандарт
IDO28456
Технические характеристики
Количество линий и позиций
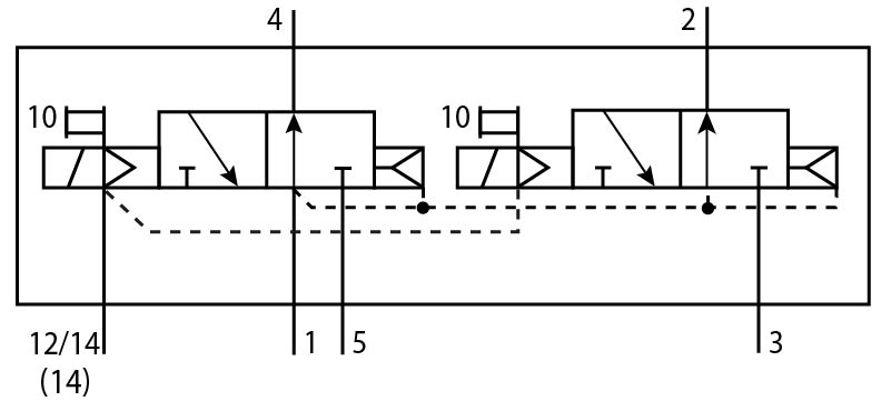
2х3/2 лин./поз.
Тип управления
Тип действия
Моностабильный
Присоединение
Тип пилотного управления
Непрямого действия
Тип сброса
Пневматический
Ручное дублирование
Защелкиваемый; Толкающий; Покрытый
Функция быстрого выхлопа
Дросселирующий. Через дроссельную плиту. Через индивидуальную монтажную плиту
Функция распределителя
Н. О.
Время включения
12 мс
Расход клапана с оптимизированной пропускной способностью
550 л/мин
Размер плиты
18 мм
Время отключения
30 мс
Питание пилота
Внешнее; Внутреннее
Максимальный стандартный расход
600
Направление потока
Нереверсивный
Расход в составе блока
400 л/мин
Расход на индивидуальной плите
500 л/мин
Рабочий цикл
100 %
Негативный тестовый импульс с логикой 1
1200 мкс
Позитивный тестовый импульс с логикой 0
1700 мкс
Электрические характеристики
Тип электрического подключения
Plug-in
Стандарт электрического подключения
ISO 15407-2
Класс защиты
IP65 NEMA 4
Рабочее напряжение катушки
24 В DC
Мощность переключения
1,3 Вт
Мощность удержания
1,3 Вт
Допустимые колебания напряжения
± 10 %
Номинальное рабочее напряжение
24 В DC
Импульсная мощность
2,5 кВ
Массо-габаритные и монтажные характеристики
Тип конструкции
Золотниковый
Тип присоединения на входе
Внутренняя резьба
Тип присоединения
Коллектор
Присоединение выхлопа
1/8
Тип крепления
На монтажной плите
Монтажный шаг
18 мм
Тип резьбы
G
Выхлоп пилота, канал 82/84
Не канализированный в соответствии со стандартом; Канализированный
Подвод пилотного воздуха 12/14
Коллектор, размер 18 мм по ISO 15407-2
Ширина
18 мм
Вес
190 г
Особенности материалов
Материал корпуса
Алюминий; PA (Полиамид)
Материал уплотнения
FPM (Фторкаучук); HNBR (Гидрированный бутадиен-нитрильный эластомер); NBR (Бутадиен-нитрильный каучук)
Материал винтов
Гальванизированная сталь
Условия эксплуатации
Максимальное рабочее давление
10 бар
Пилотное давление
3 - 10 бар
Положение при сборке
Любое
Температура окружающей среды
От -5 °C до +50 °C
Рабочая среда
Сжатый воздух в соответствии с ISO 8573-1:2010 [7:4:4]
Рабочая среда пилотного каскада
Сжатый воздух в соответствии с ISO 8573-1:2010 [7:4:4]
Примечание по рабочей среде
Возможна работа со смазкой (впоследствии требуется постоянная смазка)
Степень загрязнения
3
Относительная влажность воздуха
0 % - 90 % (без образования конденсата)
Сопротивление коррозии
0 - Нет стойкости к коррозии
Стандарты
Соответствует стандарту
ISO 15407-2
Стойкость к вибрации
Тест транспортного применения на уровне жесткости 2 в соответствии с FN 942017-4 и EN 60068-2-6
Сопротивление ударной нагрузке
Шоковый тест с уровнем опасности 2 в соответствии с FN 942017-5 и EN 60068-2-27
Дополнительные характеристики
Защита от перекрытия
Да
Отображение статуса сигнала
LED
*Производитель оставляет за собой право без уведомления дилера менять характеристики, внешний вид, комплектацию товара и место его производства. Указанная информация не является публичной офертой.
Документация
Решение от 08.10.2009 г.
Отказное письмо
Декларация о соответствии
Распределители Festo серии VSVA дополнительные характеристики
Инструкция по монтажу VAMC-S6-CH/-CS-D2
Festo 539178 таблица данных
Свидетельство Festo 2022
