Описание и характеристики
Основные характеристики
Производитель
Артикул
534522
Наименование
Распределитель с электромагнитным управлением
Серия товара
Группа
Стандартные
Тип оборудования
Распределители
Внутренний стандарт
IDO28456
Технические характеристики
Количество линий и позиций
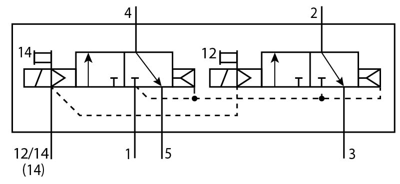
2х3/2 лин./поз.
Тип управления
Максимальный момент затяжки, установка распределителя
От 1,8 до 2,2 Нм
Тип действия
Моностабильный
Тип пилотного управления
Непрямого действия
Тип сброса
Пневматический
Ручное дублирование
Толкающий
Функция быстрого выхлопа
Дросселирующий. Через дроссельную плиту. Через индивидуальную монтажную плиту
Функция распределителя
Н. З.
Время включения
20 мс
Время отключения
33 мс
Питание пилота
Внешнее
Максимальный стандартный расход
1250
Направление потока
Нереверсивный
Расход в составе блока
900 л/мин
Расход на индивидуальной плите
1000 л/мин
Рабочий цикл
100 %
Негативный тестовый импульс с логикой 1
500 мкс
Позитивный тестовый импульс с логикой 0
500 мкс
Электрические характеристики
Тип электрического подключения
Центральный разъем
Электрическое подключение
M8X1
Номинальный ток обрыва на катушку
110 мА до 20 мс
Количество контактов
4-пин
Номинальный ток с уменьшением тока
30 мА после 20 мс
Класс защиты
IP65 NEMA 4
Рабочее напряжение катушки
24 В DC
Мощность переключения
2,4 Вт
Мощность удержания
1 Вт
Допустимые колебания напряжения
± 10 %
Форма подключения
Круглая
Массо-габаритные и монтажные характеристики
Тип конструкции
Золотниковый
Тип присоединения на входе
Внутренняя резьба
Тип крепления
На монтажной плите. Со сквозным отверстием и винтом
Монтажный шаг
27 мм
Выхлоп пилота, канал 82/84
Не канализированный в соответствии со стандартом; Канализированный
Подвод пилотного воздуха 12/14
Соединительная плита размер 26 мм по стандарту ISO 15407-1
Условный проход
9 мм
Ширина
26,3 мм
Высота
70,3 мм
Длина
112,5 мм
Вес
270 г
Особенности материалов
Материал корпуса
Алюминиевый сплав
Материал уплотнения
FPM (Фторкаучук); HNBR (Гидрированный бутадиен-нитрильный эластомер); NBR (Бутадиен-нитрильный каучук)
Условия эксплуатации
Максимальное рабочее давление
10 бар
Пилотное давление
3 - 8 бар
Положение при сборке
Любое
Температура окружающей среды
От -5 °C до +50 °C
Рабочая среда
Сжатый воздух в соответствии с ISO 8573-1:2010 [7:4:4]
Рабочая среда пилотного каскада
Сжатый воздух в соответствии с ISO 8573-1:2010 [7:4:4]
Примечание по рабочей среде
Возможна работа со смазкой (впоследствии требуется постоянная смазка)
Относительная влажность воздуха
0 % - 90 % (без образования конденсата)
Сопротивление коррозии
2 - Средняя стойкость к коррозии
Стандарты
Соответствует стандарту
ISO 15407-1
Стойкость к вибрации
Тест транспортного применения на уровне жесткости 2 в соответствии с FN 942017-4 и EN 60068-2-6
Сопротивление ударной нагрузке
Шоковый тест с уровнем опасности 2 в соответствии с FN 942017-5 и EN 60068-2-27
Дополнительные характеристики
Защита от перекрытия
Да
Отображение статуса сигнала
LED
*Производитель оставляет за собой право без уведомления дилера менять характеристики, внешний вид, комплектацию товара и место его производства. Указанная информация не является публичной офертой.
Документация
Решение от 08.10.2009 г.
Отказное письмо
Декларация о соответствии
Распределители Festo серии VSVA дополнительные характеристики
Festo 534522 таблица данных
Свидетельство Festo 2022
